Weiler 8" BCA

Weiler
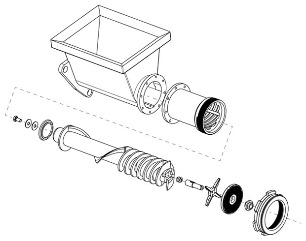
Click on an area of the drawing to jump to the corresponding part listings.
Centering Pins OEM # Speco # Add to Quote
1981 Centering Pin 109-1981 103591
+
Knives OEM # Speco # Add to Quote
2449 BC Knife 3-Arm 108-2449 102742
+
2447 BC Knife 4-Arm 108-2447 102247
+
Blades OEM # Speco # Add to Quote
2448W 2-7/8" Insert Blades (Box of 50) 108-2448 105943
+
Plates OEM # Speco # Add to Quote
6038W Premium BC 1/16" Holes 105-1085 105834
+
6038W Premium BC 5/64" Holes 105-1086 102762
+
6038W Premium BC 3/32" Holes 105-1087 106629
+
6038W Premium BC 7/64" Holes 105-1088 102620
+
6038W Premium BC 1/8" Holes 105-1089 105787
+
6038W Premium BC 9/64" Holes 105-1090 102347
+
6038W Premium BC 5/32" Holes 105-1091 107213
+
6038W Premium BC 3/16" Holes 105-1092 102836
+
6038W Premium BC 1/4" Holes 105-1094 103203
+
6038W Premium BC 5/16" Holes 105-0604 108524
+
6038W Premium BC 3/8" Holes 105-1120 106370
+
6038W Premium BC 1/2" Holes 105-1160 106349
+
6038W Premium BC 1" Holes 105-1098 110292
+
Reduced Thickness Plates OEM # Speco # Add to Quote
6046W Premium BC 1/16" Holes 105-1075 105146
+
6046W Premium BC 5/64" Holes 105-1076 105333
+
6046W Premium BC 3/32" Holes 105-1077 106476
+
6046W Premium BC 7/64" Holes 105-1078 104813
+
6046W Premium BC 1/8" Holes 105-1079 105114
+
6046W Premium BC 9/64" Holes 105-1080 106523
+
6046W Premium BC 5/32" Holes 105-1081 104903
+
6046W Premium BC 3/16" Holes 105-1082 104219
+
6046W Premium BC 1/4" Holes 105-1084 105712
+
Bushings OEM # Speco # Add to Quote
2443 Bushing 102-2443 104402
+
0609 Bushing 102-0609 107591
+
Image
fas fa-map-marker-alt

3946 Willow Street
Schiller Park, IL 60176

fas fa-phone-alt

800.541.5415

fas fa-envelope
sales@speco.com
Image
Cookie Consent

We use cookies and similar methods to recognize visitors and remember their preferences. By tapping 'Accept,' you consent to the use of these methods by us and third parties. You can always change your tracker preferences by visiting our Cookie Policy

Cookie Policy